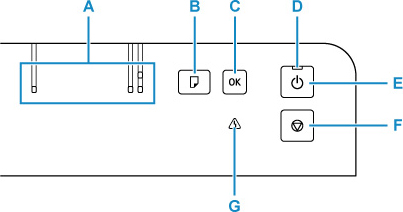
Manöverpanel

- A: Lampan Papper (Paper)
- Lyser beroende på den aktuella pappersstorleken.
- B: Knappen Välj papper (Paper Select)
- Tryck för att byta pappersstorlek.
- C: Knappen OK
- Bekräftar pappersstorleken. Används också för att lösa problem.
- D: Lampan PÅ (ON)
- Tänds efter att ha blinkat när strömmen slås på.
- E: PÅ (ON)-knappen
-
Används för att slå på och stänga av strömmen.
- F: Knappen Stopp (Stop)
- Avbryter åtgärd under pågående utskrift eller när du väljer ett menyobjekt.
- G: Lampan Alarm
- Lyser eller blinkar när ett fel inträffar.

